PS 50 No Power

Feb 15, 2021 - 11:36 AM

  • PS 50 no power.
    i have checked fuse, reset and by passed #3 snap disc, checked voltage at stove plug.
    The light on the control board isnt even on! Could it be control board?
    any help would be appreciated

    0
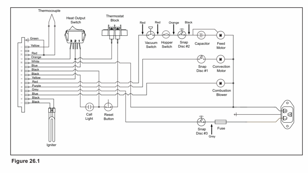
  • The control box on those stoves are fairly rugged so before saying that is bad, I would check Snap Disc 3 and the AC cord. Check these first. See wire diagram.

    A476E018-FDA0-46C4-B88D-3AFE67BF8B08.png

    0
Quick reply